팔로우:

제품
SRS(4100) 릴레이
  • SRS(4100) 릴레이SRS(4100) 릴레이

SRS(4100) 릴레이

SRS(4100) 계전기는 "단순히 매개변수를 쌓는 것"이라는 기존 논리에서 벗어나 차별화된 가치를 창출하기 위해 저전력 시나리오의 핵심 요구 사항에 중점을 둡니다. 5% 초저 릴리즈 전압과 50mΩ 이하의 초저 접촉 저항이 결합되어 "정밀 제어 + 저손실"이라는 두 가지 장점을 형성합니다. 전자는 지연이 없고 회로 시작-정지 응답이 원활하여 마이크로 스마트 가전 제품 및 정밀 감지 모듈과 같이 미세한 제어가 필요한 시나리오에 완벽하게 적응합니다. 후자는 전력 전송 손실을 크게 줄이고 0.2W/0.36W 듀얼 레벨 저전력 코일을 사용하여 단말기 제품의 에너지 절약 업그레이드를 달성하고 저전력 장치의 "제어 정밀도와 에너지 소비 균형의 어려움"이라는 문제점을 해결합니다. 한편, UL F등급 절연 시스템과 1000VAC 절연 내력은 견고한 안전 장벽을 형성합니다. 밀봉 및 플럭스 방지 유형의 이중 보호 옵션은 납땜 공정 중 습기와 먼지뿐만 아니라 플럭스 부식에도 저항할 수 있습니다. 또한 A/B/C의 세 가지 접점 구성, 3-24VDC 넓은 전압 호환성, 3.8g 경량 설계 및 표준 PCB 실장 설계를 통해 이 제품은 추가적인 맞춤화 없이 소형 가전 제품, 소형 산업 제어 모듈 및 정밀 전자 장비와 같은 다양한 시나리오의 중소형 전력 전도 요구 사항을 충족할 수 있습니다. "작고 정밀하며 정확한 제어 및 포괄적인 보호"라는 고유한 장점을 통해 저전력 계전기 시장에서 고성능 및 비용 효율적인 선택이 되었습니다.

SRS(4100) 계전기는 "단순히 매개변수를 쌓는 것"이라는 기존 논리에서 벗어나 차별화된 가치를 창출하기 위해 저전력 시나리오의 핵심 요구 사항에 중점을 둡니다. 5% 초저 릴리즈 전압과 50mΩ 이하의 초저 접촉 저항이 결합되어 "정밀 제어 + 저손실"이라는 두 가지 장점을 형성합니다. 전자는 지연이 없고 회로 시작-정지 응답이 원활하여 마이크로 스마트 가전 제품 및 정밀 감지 모듈과 같이 미세한 제어가 필요한 시나리오에 완벽하게 적응합니다. 후자는 전력 전송 손실을 크게 줄이고 0.2W/0.36W 듀얼 레벨 저전력 코일을 사용하여 단말기 제품의 에너지 절약 업그레이드를 달성하고 저전력 장치의 "제어 정밀도와 에너지 소비 균형의 어려움"이라는 문제점을 해결합니다. 한편, UL F등급 절연 시스템과 1000VAC 절연 내력은 견고한 안전 장벽을 형성합니다. 밀봉 및 플럭스 방지 유형의 이중 보호 옵션은 납땜 공정 중 습기와 먼지뿐만 아니라 플럭스 부식에도 저항할 수 있습니다. 또한 A/B/C의 세 가지 접점 구성, 3-24VDC 넓은 전압 호환성, 3.8g 경량 설계 및 표준 PCB 실장 설계를 통해 이 제품은 추가적인 맞춤화 없이 소형 가전 제품, 소형 산업 제어 모듈 및 정밀 전자 장비와 같은 다양한 시나리오의 중소형 전력 전도 요구 사항을 충족할 수 있습니다. "작고 정밀하며 정확한 제어 및 포괄적인 보호"라는 고유한 장점을 통해 저전력 계전기 시장에서 고성능 및 비용 효율적인 선택이 되었습니다.


특징

5A 스위칭 기능

UL 절연 시스템: 클래스 F

밀봉 및 플럭스 방지 유형 사용 가능

표준 PCB 레이아웃

낮은 대기 시간

빠른 응답

낮은 전력 소비

고감도

초저 접촉 저항


접촉 매개변수

매개변수
접촉 배열 알파벳
접점등급 3A 250VAC/30VDC, 1A 120VAC
접촉 저항 50mΩ 이하
전기적 내구성 10⁵ / 10⁴
기계적 내구성 107


코일 매개변수

매개변수
공칭 전압 3~24VDC
전력 손실 0.36W, 0.2W
픽업 전압(최대) 공칭 전압의 75%
드롭아웃 전압(최소) 공칭 전압의 5%


기타 매개변수

매개변수
주위온도(℃) -40℃~+85℃
절연 내력(코일과 접점 간)(1분) 1000VAC
절연 내력(개방 접점 간)(1분) 500VAC
절연저항(500VDC) 100MΩ
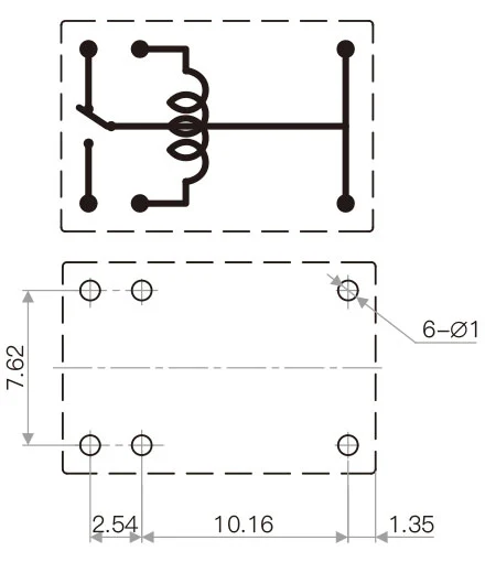
배선도(저면도) SRS(4100) Relay
설치 구멍 도면(저면도)
종료 PCB
무게 3.8g
안전 승인 SRS(4100) Relay


핫 태그: 중국 SRS(4100) 릴레이 제조 업체, 공급 업체
문의 보내기
연락처 정보
전력 계전기, 신호 계전기, 자동차 계전기 또는 가격표에 대한 문의 사항은 중국 최고의 계전기 공장인 Songle에 문의하세요!  이메일을 남겨주시면 24시간 이내에 연락드리겠습니다.
X
당사는 귀하에게 더 나은 탐색 경험을 제공하고, 사이트 트래픽을 분석하고, 콘텐츠를 개인화하기 위해 쿠키를 사용합니다. 이 사이트를 이용함으로써 귀하는 당사의 쿠키 사용에 동의하게 됩니다. 개인 정보 보호 정책
거부하다 수용하다